Với các gia đình có người già và trẻ nhỏ, việc xay nhỏ thịt, cá hay các loại thực phẩm sau khi nấu chín luôn là việc làm không thể thiếu khi chế biến thức ăn. Máy xay thịt Gali GL-1902 sẽ giúp bạn xay nhỏ các loại thực phẩm số lượng nhiều một cách nhanh nhất và dễ dàng nhất. Sẽ không còn mất thời gian và mỏi tay dùng dao và thớt băm nhỏ thịt, cá... khi đã có máy xay đa năng Gali GL-1902.

Lưỡi xay bằng inox, trục nghiền làm bằng hợp kim:
Inox cho tính chất chống rỉ, chống mài mòn, đặc biệt, không tiết ra các chất độc hại, giúp cho ly thức uống của bạn giữ nguyên chất lượng và an toàn cho sức khỏe. Lưỡi dao sắc bén có độ bền cao giúp cho việc xay trộn dễ dàng và hiệu quả. Trục nghiền của máy làm bằng hợp kim cứng chắc, cho hiệu quả nghiền cao.
Máy xay Gali GL-1902 có thiết kế gọn, nhẹ và tính năng xay thịt, cá... với số lượng nhiều. Máy có nút bấm khởi động chọn chế tốc độ xay rất nhanh gọn và dễ sử dụng cùng chức năng quay ngược (Reverse) khi thực phẩm bị kẹt. Để bảo vệ độ bền của máy, máy có khả năng tự động ngắt điện khi quá tải.
Máy xay thịt công nghiệp Gali GL-1902 sử dụng chất liệu inox sáng bóng đầy trang nhã cho phần thân máy, các gam màu sáng tối được kết hợp xen kẽ để tạo nên tổng thể sang trọng cho chiếc máy xay thịt hiện đại này. Đi kèm theo máy là 01 lưới xay to, 01 lưới xay vừa, 01 lưới xay nhuyễn và các khuôn dùng làm xúc xích, lạp xưởng. . .
HƯỚNG DẪN SỬ DỤNG MÁY XAY THỊT GALI GL-1902:
* Đọc kỹ hướng dẫn trước khi sử dụng.
CÔNG DỤNG:
- Dùng xay thịt, tôm, cá, cua.
- Có nhiều lưới xay để thay đổi kích thước thịt sau khỉ xay.
- Máy có công suất lớn, xay được nhiều thịt trong thời gian ngắn.
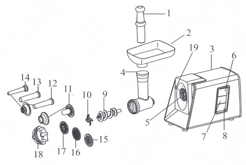
CÁC THÀNH PHẦN CHÍNH:
1. Cây đẩy 4
2. Khay đựng thịt
3. Thân máy .
4. Ống xay
5. Điểm ráp ống xay
6. Công tắc mở máy (ON/OFF)
7. Công tắc quay ngược (REVERSE).
8. Công tắc khởi động lại(RESET).
9. Trục xoắn
10. Dao xay 14,
11.12.13.14. ống tạo khuôn
15. Lưới xay lớn
16. Lưới xay vừa
17. Lưới xay nhiễn
18. Nắp chụp ống xay thịt.
19. Nút nhấn mở ống xay.
CÁCH THẢO RÁP:
1. Thứ tự ráp phụ kiện:
- Ráp ống xay vào thân máy bằng cách nghiêng ống xay 45° về bên phải, dấu trẽn ống xay trùng với dấu thứ 01 - từ phải qua , tại điểm ráp ống xay (phải lọt vào khớp ngay điểm này), nhấn mạnh và vặn ngược về bên trái cho đúng khớp,dấu trên ống xay trùng với dấu thứ 02 tại điểm ráp ống xay. (Hl).
- Đặt trục xoắn vào trong ống xay sao cho đúng khớp (H2).
- Lắp dao xay vào trục xoắn, phải lắp đúng chiều lưỡi dao (mặt lưỡi quay ra bên ngoài) (H3).
- Lắp lưới xay vào kế tiếp dao xay (Lưới xay chọn theo nhu cầu sử dụng: xay nhuyễn, vữa, to). (H4). Chú ý mỗi lưới xay có 1 rãnh nhỏ ở cạnh, khi ráp phải ráp đúng khớp với ống xay.
Cuối cùng lắp nắp chụp ống xay thịt sau đó vặn chặt (H5).
2. Thứ tự tháo phụ kiện:
- Quá trình tháo các phụ kiện tiến hành ngược lại quá trình ráp theo thứ tự sau: đầu tiên tháo nắp chụp ống xay, lưới xay, dao xay, trục xoắn, ống xay và vệ sinh các phụ kiện, (theo hình H.6, H.7, H.8, H.9).
- Chú ý khi tháo ống xay: Dùng ngón tay nhấn vào nút nhấn mở ống xay, sau đó vặn ống xay theo chiều kim đồng hồ (H.8).
CÁCH SỬ DỤNG:
- Sau khi đã lắp ráp các thiết bị, kiểm tra kỹ trước khi xay.
- Ghim phích vào ổ điện, bật công tắc (ON/OFF- Tắt/MỞ) về vị trí (ON-MỎ) cho máy hoạt động khoảng 5 giây, cho thịt vào miệng tiếp liệu của ống xay. Khi xay, ta nên dùng cây đẩy nhẹ từ từ thịt xuống (H9).
Trong quá trình xay nếu thịt ra ít hoặc có hiện tượng kẹt thịt thì nhấn nút (ON/OFF-Tắt/MỞ) để tắt máy và nhấn nút (REVERSE - Quay ngược) giữ khoảng 3 giây để động cơ quay ngược lại. sau đó nhấn nút (ON-MỞ) để máy hoạt động bình thường.
- Khi động cơ bị ngắt (không sử dụng được) nhấn nút (RESET- Khởi Động lại) để khởi động lại máy.
- Khi có nhu cầu thay đổi lưới xay hoặc ống tạo khuôn thì nhấn nút (OFF-Tắt) để tắt máy, rút phích cắm ra khỏi ổ điện rồi tiến hành thay nhữ (H. 10, H.lì, H.12, H.13, H.14)
- Cách sử dụng các lưới xay và ống tạo khuôn (dùng làm lạp xưởng, xúc xích...): Các ống tạo khuôn (các số 12, 13, 14 ghi trên thành phần chính), đầu tiên ráp trục xoắn, lưỡi dao, lưới xay (lưới xay lớn, xay vừa, xay nhiễm) và ráp ống tạo khuôn (phải ráp chụp nhựa bên ngoài) vặn chặt (H.ll, H. 12). Chú ý đối với ống tạo khuôn (số 11) ta chỉ ráp trục xoắn, lưỡi dao và ráp ống tạo khuôn dạng ống, không ráp lưới xay ( ống tạo khuôn và chụp ống đều có rãnh ở cạnh, ráp cho đúng khớp) vặn chặt (H.13, H.14), khi xay ở dạng này thực phẩm sẽ lớn.
- Sau khi xay xong, nhấn nút (OFF-Tắt) để tắt máy, rút phích cắm điện ra khỏi ổ điện.
- Tháo các bộ phận máy như trên và vệ sinh.
VỆ SINH VÀ BẢO QUẢN:
- Tháo lưới, dao, trục xoắn và ống xay..., ra ngoàỉ rửa sạch bằng nước rửa chén.
- Không rửa dưới vòi và ngâm thân máy vào nước, gây chạm điện vào những lần sử dụng sau.
- Đối với thân máy dùng khăn mền, thấm nước vắt khô lau sạch.
- Để bảo quản tốt nên dùng dầu ăn lau: lưỡi dao, trục xoắn và lưới xay.
- Đảo quản nơỉ khô thoáng, không hóa chất và bụi.
© HƯỚNG DẪN SỬ DỤNG AN TOÀN:
- Trước khi sử dụng phải kiểm tra điện áp và tần số của máy phù hợp với nguồn điện cung cấp.
- Khi xay thịt không đẩy mạnh thực phẩm, sẽ gây quá tải dộng cơ.
- Không xay xương, gân thịt hoặc thực phẩm cứng, gây hư lưỡi dao, nhông và motor.
- Khi xay cua phải bỏ từng con ( kích thước nhỏ bằng miệng tiếp liệu, càng lớn phảỉ bẻ đôi).
- Vặn chặt nắp chụp ống xay trước khi mở máy.
- Phải ráp lưỡi dao đúng chiểu, nếu không thịt sẽ không ra khi xay dẫn đến động cơ bị ngắt khi xay.
- Thịt khi xay nên cắt nhỏ không nên để lớn ( khoảng 2cm).
- Khi vệ sinh lưỡi dao phải cẩn thận, lưỡi dao có thể gây nguy hiểm.
- Đặt thân máy nơi bằng phẳng và tránh các nguồn nhiệt (bếp gas, bếp điện...).
- Không mài giũa lưỡi dao, có thể gây hư dao.
- Chl sử dụng các phụ kiện đi kèm sản phẩm.
- Không ngâm thân máy vào nước hoặc rửa dưới vòi nước, sẽ gây chạm điện cho lần sử dụng sau.
- Các phụ kiện đi kèm theo máy (ống xay, trục xoắn, dao, lưới ...) khỉ xay xong không ngâm trong nước, không dùng nước tẩy rửa có chứa clo, benzines, phải vệ sinh ngay sau và lau khô, bảo quản khô ráo.
- Sau một thời gian sử dụng phụ kiện bằng nhôm sẽ đổi màu (lớp nhôm oxy hoá bảo vê) đây là hiện tượng bình thường.
- Phải tắt máy, rút phích cắm ra khỏi ổ điện trước khi thay lưới xay hoặc tháo ráp máy.
- Trường hợp dây dẫn nguồn bị hư việc thay thế phải được tiến hành bởi trung tâm bảo hành, đại lý hoặc người có kỹ thuật chuyên môn tương đương.
- Để xa tầm tay trẻ em.
Chú ý: sản phẩm chỉ bảo hành motor, công tắc, dãy dẫn điện, nhông và hộp nhông